-
ค้นหาผลิตภัณฑ์
- การสนับสนุนะการดาวน์โหลด
- ติดต่อเรา
ข้อต่อสำหรับระบบท่อในโรงงานหรือข้อต่อแบบติดตั้งในเครื่องจักร
Features
วิดีโอที่เกี่ยวข้อง

ดาวน์โหลดเอกสาร
มีฟังก์ชั่นการล็อคเพื่อป้องกันไม่ให้ก้านแคมล็อคหลุดออกอย่างไม่ได้ตั้งใจ
มีฟังก์ชั่นการล็อคเพื่อป้องกันไม่ให้ก้านแคมล็อคหลุดออกอย่างไม่ได้ตั้งใจ
มีฟังก์ชันล็อคก้านแคมล็อคเพื่อให้ใส่
อะแดปเตอร์ได้ง่าย
มีฟังก์ชันล็อคก้านแคมล็อคเพื่อให้ใส่
อะแดปเตอร์ได้ง่าย
ก้านแคมล็อคที่ช่วยให้สามารถติดตั้งและถอดข้อต่อได้ง่าย ซึ่งช่วยเพิ่มความสามารถในการทำงาน
ก้านแคมล็อคที่ช่วยให้สามารถติดตั้งและถอดข้อต่อได้ง่าย ซึ่งช่วยเพิ่มความสามารถในการทำงาน
ข้อต่อสำหรับระบบท่อในโรงงานหรือข้อต่อแบบติดตั้งในเครื่องจักร
| หมายเลขรุ่น | 633-BBL-AL | |
|---|---|---|
| วัสดุหลัก | ||
| ฟังก์ชัน | ||
| ของไหล | น้ำ (อุตสาหกรรม) ลม น้ำมัน | |
| การปฏิบัติตามกฎหมาย | ถูกต้องตาม RoHS 2 | |
| รายละเอียดวัสดุ | ตัวข้อต่อ | อะลูมิเนียมอัลลอย (ADC12) |
| ก้านแคมล็อค | SCS14 (เทียบเท่า SUS316) | |
| ชิ้นส่วนยึดอยู่กับที่ | SUS304 | |
| พิน ・ แหวน | SUS304 | |
| แหวนรองกันรั่ว | ยาง NBR *สามารถเลือกใช้แหวนรองกันรั่วให้สอดคล้องกับของไหลได้ | |

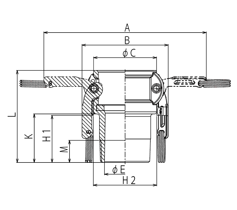
| รุ่น | ขนาดเกลียว | ขนาด (มม.) | ||||||||
|---|---|---|---|---|---|---|---|---|---|---|
| A | B | C | E | K | L | M | H1 | H2 | ||
| 633-BBL1/2AL | 1/2" | 112 | 66 | 41 | 15 | 30 | 62 | 14 | 21 | 41 |
| 633-BBL3/4AL | 3/4" | 112 | 66 | 41 | 20 | 32 | 64 | 16 | 23 | 41 |
| 633-BBL1AL | 1" | 139 | 76 | 47 | 25 | 35 | 76 | 18 | 21 | 46 |
| 633-BBL1-1/4AL | 1-1/4" | 176 | 85 | 58 | 33 | 58 | 105 | 21 | 53 | 58 |
| 633-BBL1-1/2AL | 1-1/2" | 184 | 93 | 65 | 40 | 58 | 105 | 21 | 53 | 66 |
| 633-BBL2AL | 2" | 193 | 103 | 75 | 49 | 58 | 110 | 25 | 56 | 75 |
| 633-BBL2-1/2AL | 2-1/2" | 205 | 125 | 90 | 63 | 63 | 118 | 29 | 61 | 93 |
| 633-BBL3AL | 3" | 248 | 141 | 108 | 76 | 77 | 136 | 31 | 77 | 112 |
| 633-BBL4AL | 4" | 277 | 169 | 140 | 95 | 42 | 102 | 37 | 40 | 140 |
* ข้อต่อ 1/2” สามารถเชื่อมต่อกับอะแดปเตอร์ 3/4” ได้ * ข้อต่อ 3/4” สามารถเชื่อมต่อกับอะแดปเตอร์ 1/2” ได้ * แหวนรองกันรั่วยาง NBR ติดตั้งมาเป็นมาตรฐาน* สกรูเป็นเกลียวเทเปอร์ท่อมาตรฐาน JIS
*ขอแนะนำให้ใช้ข้อต่อและอะแดปเตอร์ที่ทำจากขนาดและวัสดุชนิดเดียวกันเมื่อเชื่อมต่อข้อต่อ การใช้งานข้อต่อและอะแดปเตอร์ที่ทำจากวัสดุต่างชนิดกันอาจทำให้เกิดการกัดกร่อน (การกัดกร่อนทางไฟฟ้า)
Page Top