-
ค้นหาผลิตภัณฑ์
- การสนับสนุนะการดาวน์โหลด
- ติดต่อเรา
ข้อต่อสำหรับระบบท่อในโรงงานหรือข้อต่อแบบติดตั้งในเครื่องจักร
Features
ดาวน์โหลดเอกสาร
ก้านแคมล็อคที่ช่วยให้สามารถติดตั้งและถอดข้อต่อได้ง่าย ซึ่งช่วยเพิ่มความสามารถในการทำงาน
ก้านแคมล็อคที่ช่วยให้สามารถติดตั้งและถอดข้อต่อได้ง่าย ซึ่งช่วยเพิ่มความสามารถในการทำงาน
ผลิตจากพลาสติก มีน้ำหนักเบา ติดตั้งและถอดข้อต่อได้ง่าย และเคลื่อนย้ายสะดวก
ผลิตจากพลาสติก มีน้ำหนักเบา ติดตั้งและถอดข้อต่อได้ง่าย และเคลื่อนย้ายสะดวก
ทนต่อสารเคมีดีเยี่ยม
ทนต่อสารเคมีดีเยี่ยม
โครงสร้างก้านคู่ทนทานต่อแรงสั่นสะเทือน ช่วยป้องกันไม่ให้ก้านแคมล็อคหลุดออก เพื่อการทำงานที่ปลอดภัย
โครงสร้างก้านคู่ทนทานต่อแรงสั่นสะเทือน ช่วยป้องกันไม่ให้ก้านแคมล็อคหลุดออก เพื่อการทำงานที่ปลอดภัย
ข้อต่อสำหรับระบบท่อในโรงงานหรือข้อต่อแบบติดตั้งในเครื่องจักร
| หมายเลขรุ่น | 633-BB-PP | |
|---|---|---|
| วัสดุหลัก | ||
| ฟังก์ชัน | ||
| ของไหล | น้ำ (อุตสาหกรรม) ลม น้ำมัน อาหารและเครื่องดื่ม สารเคมีและเครื่องสำอาง สารละลายและสี | |
| การปฏิบัติตามกฎหมาย | ถูกต้องตาม RoHS 2 | |
| รายละเอียดวัสดุ | ตัวข้อต่อ | ทำจากโพลีโพรพิลีน |
| ก้านแคมล็อค | SCS14 (เทียบเท่า SUS316) | |
| พิน ・ แหวน | SUS304 | |
| แหวนรองกันรั่ว | ยาง NBR *สามารถเลือกใช้แหวนรองกันรั่วให้สอดคล้องกับของไหลได้ | |

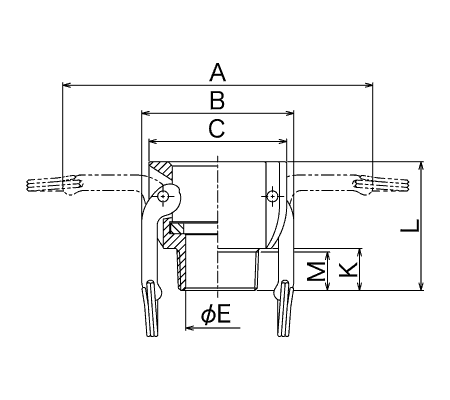
| รุ่น | ขนาดเกลียว | ขนาด (มม.) | ||||||
|---|---|---|---|---|---|---|---|---|
| A | B | C | E | K | L | M | ||
| 633-BB3/4PP | 3/4" | 109 | 61 | 57 | 19 | 23 | 58 | 19 |
| 633-BB1PP | 1" | 130 | 67 | 64 | 24 | 25 | 71 | 22 |
| 633-BB1-1/2PP | 1-1/2" | 187 | 87 | 82 | 38 | 25 | 77 | 21 |
| 633-BB2PP | 2" | 196 | 96 | 94 | 48 | 29 | 86 | 25 |
| 633-BB3PP | 3" | 249 | 137 | 130 | 72 | 35 | 96 | 31 |
* แหวนรองกันรั่วยาง NBR ติดตั้งมาเป็นมาตรฐาน* สกรูเป็นเกลียวเทเปอร์ท่อมาตรฐาน JIS
*ขอแนะนำให้ใช้ข้อต่อและอะแดปเตอร์ที่ทำจากขนาดและวัสดุชนิดเดียวกันเมื่อเชื่อมต่อข้อต่อ การใช้งานข้อต่อและอะแดปเตอร์ที่ทำจากวัสดุต่างชนิดกันอาจทำให้เกิดการกัดกร่อน (การกัดกร่อนทางไฟฟ้า)
Page Top